全国茶楼楼凤品茶,上海914桑拿论坛,2025小姐威客兼职论坛,广深楼凤qm论坛最新活动

英德沃尔玛圆形冷却塔噪音治理方案(冷却塔噪声处理解决方法)

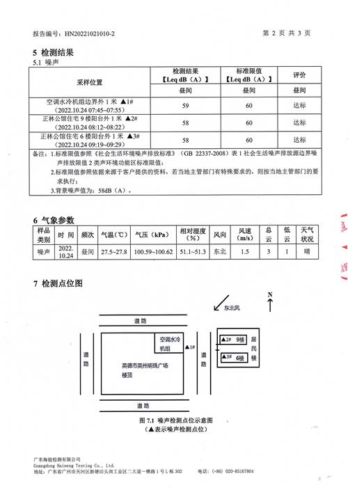
英德沃尔玛冷却塔噪音治理检测报告

英德沃尔玛冷却塔噪音治理检测报告

英德沃尔玛冷却塔噪音治理检测报告

英德沃尔玛冷却塔噪音治理检测报告

英德沃尔玛冷却塔噪音治理检测报告

冷却塔降噪超静音冷却塔风机降噪

冷却塔降噪前噪音超标                            采用超静音冷却塔风机降噪技术

第三方机构测冷却塔噪音

冷却塔噪音治理后的满足噪音噪音排放标准环保要求 第三方机构测试符合要求

英德沃尔玛冷却塔噪音治理检测报告

最新工程案例

广州百事可乐饮料有限公司CSD公共冰水机维修
广州百事可乐饮料有限公司CSD公共冰水机维修

广州百事可乐饮料有限公司CSD公共冰水机维修 广东特菱节能空调完成了公共冰水机的维修任务,为用户提供了高质量的服务体验。 CSD公共冰水机维修原因: 这次公共冰水机维修的原因是由于用户报告了设备

英德沃尔玛圆形冷却塔噪音治理方案(冷却塔噪声处理解决方法)
英德沃尔玛圆形冷却塔噪音治理方案(冷却塔噪声处理解决方法)

英德沃尔玛冷却塔噪音治理检测报告 冷却塔降噪前噪音超标           &

深圳华强北路茂业天地冷却塔噪音排放超标项目噪声治理改造
深圳华强北路茂业天地冷却塔噪音排放超标项目噪声治理改造

深圳市华强北茂业天地冷却塔噪音常年排放超标低频噪音废气,该冷却塔每天早上9点到晚10店运作,噪音在80分贝以上,远远超出国家规定商业区噪音不高于60分贝的标准。并且该冷却塔距离居民楼只有3米,也不符

汕头乐凯冷却塔更换改造工程
汕头乐凯冷却塔更换改造工程

通过汕头乐凯冷却塔更换改造工程来讲下冷却塔什么时候更换或修理比较好?汕头乐凯是一家主要从事化工原料和化工制品制造业的公司,经营范围包括彩色胶卷、彩色相纸、彩色电影、光敏材料等。因此,冷却塔在公司中的

深圳鸿详花园圆形冷却塔填料更换(圆形冷却塔填料拆换的正确步骤)
深圳鸿详花园圆形冷却塔填料更换(圆形冷却塔填料拆换的正确步骤)

鸿翔花园位于深圳老城区之一的罗湖蔡屋围区松园路。由于冷却塔使用寿命长,冷却塔填料老化,需要更换冷却塔填料。接下来,根据鸿详花园圆形冷却塔填料的更换,介绍了拆卸和更换圆形冷却塔填料的正确过程。 在清除

深超光电(深圳)有限公司圆形马利冷却塔填料更换安装
深超光电(深圳)有限公司圆形马利冷却塔填料更换安装

深超光电(深圳)有限公司,是国家十一五规划和863计划重点发展及地方政府重点扶持的高科技项目。 冷却塔填料的更换和安装方法是什么?与冷却塔的其他部件一样,冷却塔填料的应用也应交替进行日常维护和浪费。

深圳滨河时代亚朵S酒店冷却塔噪声噪音扰民改造(深圳酒店冷却塔降噪施工)
深圳滨河时代亚朵S酒店冷却塔噪声噪音扰民改造(深圳酒店冷却塔降噪施工)

深圳市滨河时代亚朵S酒店冷却塔噪音测试数据 项目名称:深圳市滨河时代亚朵S酒店 技术参数:新菱牌逆流方形冷却塔CEF-370A 测试时间:2022年08月01日晚间 开机时间:1台全开; 测试位置:

深圳盛波光电闭式冷却塔安装(闭式冷却塔生产厂家)
深圳盛波光电闭式冷却塔安装(闭式冷却塔生产厂家)

深圳市盛波光电科技有限公司是深圳市纺织(集团)股份有限公司和杭州锦航股权投资基金合伙企业(有限合伙)(杭州锦江集团有限公司实际控制)合资经营的国家高新技术企业,专业从事液晶显示器(LCD)用偏光片的

广州都市华庭冷却塔改造施工案例(横流方形冷却塔改造)
广州都市华庭冷却塔改造施工案例(横流方形冷却塔改造)

传统的冷却塔也叫老塔或电机冷却塔。老塔肯定会耗电,因为它需要电机来推动扇叶。与今天的节能冷却塔相比,由于水轮机取代了电机,不会有耗电,从而实现了100%的节能,噪音也会降低很多。在资源节约型建设的今

惠州东江环保横流方形冷却塔特点
惠州东江环保横流方形冷却塔特点

惠州东江环保横流方形冷却塔安装 广东特菱空调(http://www.dkat.cn)方形横流式玻璃钢冷却塔结构特点: (1)挡板:玻璃钢材质,表面光滑美观,耐腐蚀,防老化。 (2)填料:改性聚氯