全国茶楼楼凤品茶,上海914桑拿论坛,2025小姐威客兼职论坛,广深楼凤qm论坛最新活动

社会生活环境噪声排放标准

发布者:广东特菱空调 发布时间:2021-01-08
社会生活环境噪声排放标准

前 言

为贯彻《中华人民共和国环境?;しā泛汀吨谢嗣窆埠凸肪吃肷廴痉乐畏ā?,防治社会生活噪声污染,改善声环境质量,制定本标准。
本标准根据现行法律对社会生活噪声污染源达标排放义务的规定,对营业性文化娱乐场所和商业经营活动中可能产生环境噪声污染的设备、设施规定了边界噪声排放限值和测量方法。
本标准为首次发布。
本标准由环境?;げ靠萍急曜妓咀橹贫?。
本标准起草单位:北京市劳动保护科学研究所、北京市环境保护局、广州市环境监测中心站。
本标准环境?;げ?008年7月17日批准。
本标准自2008年10月1日起实施。
本标准由环境?;げ拷馐?。

社会生活环境噪声排放标准

1 适用范围

本标准规定了营业性文化娱乐场所和商业经营活动中可能产生环境噪声污染的设备、设施边界噪声排放限值和测量方法。
本标准适用于对营业性文化娱乐场所、商业经营活动中使用的向环境排放噪声的设备、设施的管理、
评价与控制。

2 规范性引用文件

本标准内容引用了下列文件或其中的条款。凡是不注日期的引用文件,其有效版本适用于本标准。
GB 3785 声级计的电、声性能及测试方法
GB/T 3241  倍频程和分数倍频程滤波器
GB/T 15173 声校准器
GB/T 17181 积分平均声级计

3 术语和定义

下列术语和定义适用于本标准。
3.1 社会生活噪声 community noise
指营业性文化娱乐场所和商业经营活动中使用的设备、设施产生的噪声。
3.2 噪声敏感建筑物 noise-sensitive buildings
指医院、学校、机关、科研单位、住宅等需要保持安静的建筑物。
3.3 A 声级 A –weighted sound pressure level
用 A 计权网络测得的声压级,用 L A 表示,单位 dB(A)。
3.4 等效声级 equivalent continuous A –weighted sound pressure level
等效连续 A 声级的简称,指在规定测量时间 T 内 A 声级的能量平均值,用 L Aeq , T 表示(简写为 Leq),单位 dB(A)。除特别指明外,本标准中噪声限值皆为等效声级。
根据定义,等效声级表示为:

等效声级

式中:
L A —— t 时刻的瞬时 A 声级;
T——规定的测量时间段。
3.5 边界 boundary
由法律文书(如土地使用证、房产证、租赁合同等)中确定的业主所拥有使用权(或所有权)的场所或建筑物边界。各种产生噪声的固定设备、设施的边界为其实际占地的边界。
3.6 背景噪声 background noise
被测量噪声源以外的声源发出的环境噪声的总和。
3.7 倍频带声压级 sound pressure level in octave bands
采用符合 GB/T 3241 规定的倍频程滤波器所测量的频带声压级,其测量带宽和中心频率成正比。本标准采用的室内噪声频谱分析倍频带中心频率为 31.5Hz、63Hz、125Hz、250Hz、500Hz,其覆盖频率范围为 22Hz~707Hz。
3.8 昼间 day-time、夜间 night-time
根据《中华人民共和国环境噪声污染防治法》,“昼间”是指6:00至22:00之间的时段;“夜间”是指22:00至次日6:00之间的时段。县级以上人民政府为环境噪声污染防治的需要(如考虑时差、作息习惯差异等)而对昼间、夜间的划分另有规定的,应按其规定执行。

4 环境

4 环境噪声排放限值
4.1 边界噪声排放限值
4.1.1 社会生活噪声排放源边界噪声不得超过表 1 规定的排放限值。

表1 社会生活噪声排放源边界噪声排放限值

社会生活噪声排放源边界噪声排放限值

4.1.2 在社会生活噪声排放源边界处无法进行噪声测量或测量的结果不能如实反映其对噪声敏感建筑物的影响程度的情况下,噪声测量应在可能受影响的敏感建筑物窗外 1m 处进行。
4.1.3 当社会生活噪声排放源边界与噪声敏感建筑物距离小于 1m 时,应在噪声敏感建筑物的室内测量,并将表 1 中相应的限值减 10dB(A)作为评价依据。
4.2 结构传播固定设备室内噪声排放限值
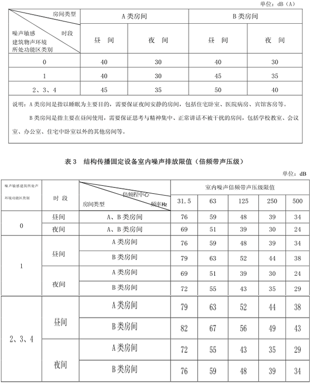
4.2.1 在社会生活噪声排放源位于噪声敏感建筑物内情况下,噪声通过建筑物结构传播至噪声敏感建筑物室内时,噪声敏感建筑物室内等效声级不得超过表 2 和表 3 规定的限值。

表2 结构传播固定设备室内噪声排放限值(等效声级)

4.2.2 对于在噪声测量期间发生非稳态噪声(如电梯噪声等)的情况,最大声级超过限值的幅度不得高于 10 dB(A)。

5. 测量方法

5.1 测量仪器
5.1.1 测量仪器为积分平均声级计或环境噪声自动监测仪,其性能应不低于 GB3785 和 GB/T17181 对 2型仪器的要求。测量 35 dB 以下的噪声应使用 1 型声级计,且测量范围应满足所测量噪声的需要。校准所用仪器应符合 GB/T 15173 对 1 级或 2 级声校准器的要求。当需要进行噪声的频谱分析时,仪器性能应符合 GB/T3241 中对滤波器的要求。
5.1.2 测量仪器和校准仪器应定期检定合格,并在有效使用期限内使用;每次测量前、后必须在测量现场进行声学校准,其前、后校准示值偏差不得大于 0.5 dB,否则测量结果无效。
5.1.3 测量时传声器加防风罩。
5.1.4 测量仪器时间计权特性设为“F”档,采样时间间隔不大于 1s。
5.2 测量条件
5.2.1 气象条件:测量应在无雨雪、无雷电天气,风速为 5m/s 以下时进行。不得不在特殊气象条件下
测量时,应采取必要措施保证测量准确性,同时注明当时所采取的措施及气象情况。
5.2.2 测量工况:测量应在被测声源正常工作时间进行,同时注明当时的工况。
5.3 测点位置
5.3.1 测点布设
根据社会生活噪声排放源、周围噪声敏感建筑物的布局以及毗邻的区域类别,在社会生活噪声排放源边界布设多个测点,其中包括距噪声敏感建筑物较近以及受被测声源影响大的位置。 5.3.2 测点位置一般规定一般情况下,测点选在社会生活噪声排放源边界外 1m、高度 1.2m 以上、距任一反射面距离不小于1m 的位置。
5.3.3 测点位置其他规定
5.3.3.1 当边界有围墙且周围有受影响的噪声敏感建筑物时,测点应选在边界外 1m、高于围墙 0.5m 以上的位置。
5.3.3.2 当边界无法测量到声源的实际排放状况时(如声源位于高空、边界设有声屏障等),应按 5.3.2设置测点,同时在受影响的噪声敏感建筑物户外 1m 处另设测点。
5.3.3.3 室内噪声测量时,室内测量点位设在距任一反射面至少 0.5m 以上、距地面 1.2 m 高度处,在受噪声影响方向的窗户开启状态下测量。
5.3.3.4 社会生活噪声排放源的固定设备结构传声至噪声敏感建筑物室内,在噪声敏感建筑物室内测量时,测点应距任一反射面至少 0.5m 以上、距地面 1.2 m、距外窗 1 m 以上,窗户关闭状态下测量。被测房间内的其他可能干扰测量的声源(如电视机、空调机、排气扇以及镇流器较响的日光灯、运转时出声的时钟等)应关闭。
5.4 测量时段
5.4.1 分别在昼间、夜间两个时段测量。夜间有频发、偶发噪声影响时同时测量最大声级。
5.4.2 被测声源是稳态噪声,采用 1min 的等效声级。
5.4.3 被测声源是非稳态噪声,测量被测声源有代表性时段的等效声级,必要时测量被测声源整个正常工作时段的等效声级。
5.5 背景噪声测量
5.5.1 测量环境:不受被测声源影响且其他声环境与测量被测声源时保持一致。
5.5.2 测量时段:与被测声源测量的时间长度相同。
5.6 测量记录
噪声测量时需做测量记录。记录内容应主要包括:被测量单位名称、地址、边界所处声环境功能区类别、测量时气象条件、测量仪器、校准仪器、测点位置、测量时间、测量时段、仪器校准值(测前、测后)、主要声源、测量工况、示意图(边界、声源、噪声敏感建筑物、测点等位置)、噪声测量值、背
景值、测量人员、校对人、审核人等相关信息。
5.7 测量结果修正
5.7.1 噪声测量值与背景噪声值相差大于 10dB (A) 时,噪声测量值不做修正。
5.7.2 噪声测量值与背景噪声值相差在 3dB (A) ~10dB (A) 之间时,噪声测量值与背景噪声值的差值取整后,按表 4 进行修正。
5.7.3 噪声测量值与背景噪声值相差小于3dB (A) 时,应采取措施降低背景噪声后,视情况按5.7.1或5.7.2
执行;仍无法满足前二款要求的,应按环境噪声监测技术规范的有关规定执行。


6. 测量结果评价

6.1 各个测点的测量结果应单独评价。同一测点每天的测量结果按昼间、夜间进行评价。
6.2 最大声级 L max 直接评价。

7. 标准实施监督

本标准由县级以上人民政府环境?;ば姓鞴懿棵鸥涸鸺喽绞凳?。

《社会生活环境噪声排放标准》(GB 12348-2008)阅读下载

相关文章

工业企业厂界环境噪声排放标准
工业企业厂界环境噪声排放标准

工业企业厂界环境噪声排放标准Emissonstandardforindustrialenterprisesnoise atboundary 前言为贯彻《中华人民共和国环境?;しā泛汀吨?/p>

中小型开式冷却塔国家标准
中小型开式冷却塔国家标准

中华人民共和国国家标准 机械通风冷却塔 第1部分:中小型开式冷却塔 Mechanicaldraftcoolingtowers— Part1:Mediumandsmallopencoolingtow

闭式冷却塔冬季需要的防冻措施有哪些
闭式冷却塔冬季需要的防冻措施有哪些

闭式冷却塔的防寒防冻可分为塔内设备和内层冷却循环水系统两方面。喷淋水设备需要根据开式冷却塔选用相同或相似的防寒防冻方法。内冷却循环水系统的防寒防冻方法很重要,盘管方面的价值较高,出现冻结后维修服务困难

开式冷却塔性能优势有哪些
开式冷却塔性能优势有哪些

开式冷却塔产品设备性能优势特点如下:1.国际性上冷却塔的制定标准为:入水温度37℃,出水温度t2N32℃,湿球温度T28℃,干球温度Q1。5℃,大气压力=9.94X104Pa。2.标准冷却塔按国内制

冷却塔夏季水温升高的原因及解决方法
冷却塔夏季水温升高的原因及解决方法

随着夏季到来,天气炎热起来。用户在使用冷却塔过程出现水温过高,冷水机主高温报警情况。冷却塔主要作用通过热交换实现循环水冷却,使水质达到冷水机主所需的热量。夏季到来时,冷却水的水温变高无法满足主设备的

2021年五一放假安排通知
2021年五一放假安排通知

广东特菱节能空调设备有限公司2021年五一放假安排通知

深圳科兴药业厂房冷却塔中心缸更换改造
深圳科兴药业厂房冷却塔中心缸更换改造

清明节,又称踏青节、行清节、三月节、祭祖节等,节期在仲春与暮春之交。清明节源自上古时代的祖先信仰与春祭礼俗,兼具自然与人文两大内涵,既是自然节气点,也是传统节日。扫墓祭祖与踏青郊游是清明节的两大礼俗

玻璃钢冷却塔在楼顶防雷接地方法
玻璃钢冷却塔在楼顶防雷接地方法

今日广东闭式冷却塔厂家特菱空调为咱们带来的是设备在房顶的玻璃钢冷却塔防雷接地的做法阐明,包含您是否需求做防雷接地,现已要做玻璃钢冷却塔防雷接地的话应该怎么做的具体阐明。对玻璃钢冷却塔稍有了解的客户都